设为首页
|
加入收藏
网站首页
系部概况
系部介绍
机构设置
师资队伍
质量管理
建设成果
基地发展大事记
党建工作
党建活动
学习园地
专业设置
航海技术专业
轮机工程技术专业
国际邮轮乘务专业
教学科研
教研活动
人才培养方案
课程标准
科研项目
精品课程
资源库建设
产教融合
校企合作
实训基地
实习见习
社会服务
半军事化管理
学工动态
规章制度
资助评优
招生就业
招生工作
就业指导
优秀毕业生
网站首页
> 正文
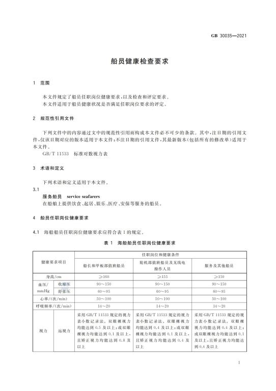
中华人民共和国国家标准-船员健康检查要求
作者: 时间:2022-04-27 点击数:
上一条:
我院在2022年陕西省职业院校技能大赛英语口语赛项中荣获二等奖
下一条:
我系韩涛老师荣获2022年延安市“五一”劳动奖章
Copyright©版权所有:延安职业技术学院 陕备ICP 06001334
技术支持:延安职业技术学院网络信息中心 地址:陕西延安市宝塔区枣园
== 相关链接 ==
中华人民共和国天津海事局
天津海运职业技术学院
江苏海事职业技术学院
青岛远洋船员职业学院
集美大学
武汉理工大学
大连海事大学
上海海事大学
华洋海事中心
北京鑫裕盛船舶管理有限公司
天津市惠通海员管理服务有限公司
招商局南京油运股份有限公司
中远海运对外劳务合作有限公司
青岛鹏腾国际经济技术合作有...